1994 Toyota Pickup Wiring Diagram / 1994 Toyota Truck Fuse Box Wiring Diagram Shorts Spark Shorts Spark Atlanticsport It / 1994 toyota pickup wiring diagram.. I need wire diagram for 2001 toyota camry. I'm searching for a wiring diagram of a 83 or 84 toyota p/u with a 22r. .1993 toyota 1994 toyota 1995 toyota 1996 toyota 1997 toyota 1998 toyota 1999 toyota 2000 toyota 2001 toyota corolla toyota echo toyota fj cruiser toyota highlander toyota land toyota mr2 toyota paseo toyota pickup toyota previa toyota prius toyota. I got the one for a 22re but its just too different. Have 1994 toyota 4x4 pickup with a 22re, that i bought with blown head gasket.

A walk around showing off my 1994 toyota pick up i rebuilt as an overland rig to drive to alaska. After my boyfriend replaced his blown motor, he had to get a new wiring harness, and now after trying to hook up every wire, his stereo doesn't work, the dash lights go off when the brakes are hit, and there are no brake lights. On >01/1994 vehicles the alternator wiring is part of the body loom, not the engine loom. Toyota workshop manuals, toyota owners manuals, toyota wiring diagrams, toyota sales brochures and general miscellaneous toyota downloads. 1994 toyota pickup wiring diagram.

94 Toyota Car Stereo Wiring Diagram Wiring Diagram Gear Data Gear Data Disnar It
94 Toyota Car Stereo Wiring Diagram Wiring Diagram Gear Data Gear Data Disnar It from www.getwiringdiagram.com
On >01/1994 vehicles the alternator wiring is part of the body loom, not the engine loom. .1993 toyota 1994 toyota 1995 toyota 1996 toyota 1997 toyota 1998 toyota 1999 toyota 2000 toyota 2001 toyota corolla toyota echo toyota fj cruiser toyota highlander toyota land toyota mr2 toyota paseo toyota pickup toyota previa toyota prius toyota. You could be a technician who intends to look for recommendations or address existing or you are a student, or perhaps even you who simply want to know concerning 1994 toyota pickup radio wiring diagram. Toyota wire information, wire information, wiring information, wiring information, color codes, technical wiring diagrams. #toyotapickup #overlanding #restoration #4x4 #toyota4x4. 558 toyota 1994 pickup products are offered for sale by suppliers on alibaba.com, of which other exterior accessories accounts for 1%, other auto parts there are 146 suppliers who sells toyota 1994 pickup on alibaba.com, mainly located in asia. Radio missing when i got it so have to use what is there. Harness 3vze ecu pinout yotatech forums 4 runner wire a3 1992 toyota.

Toyota wire information, wire information, wiring information, wiring information, color codes, technical wiring diagrams.

1994 toyota 22re 4x4 pickup fuel injector wiring diagram.jpg. Injector plug ins are 3 blue with one black, and different color wires need to know which ones go to which injector. I'm searching for a wiring diagram of a 83 or 84 toyota p/u with a 22r. You could be a technician who intends to look for recommendations or address existing or you are a student, or perhaps even you who simply want to know concerning 1994 toyota pickup radio wiring diagram. .1993 toyota 1994 toyota 1995 toyota 1996 toyota 1997 toyota 1998 toyota 1999 toyota 2000 toyota 2001 toyota corolla toyota echo toyota fj cruiser toyota highlander toyota land toyota mr2 toyota paseo toyota pickup toyota previa toyota prius toyota. What color is the power wire in 1994 toyota pick up. You can also find this wiring diagram at most auto parts stores. #toyotapickup #overlanding #restoration #4x4 #toyota4x4. The top countries of suppliers are china, taiwan. 1994 toyota pickup wiring diagram. Seeking details about 1994 toyota pickup radio wiring diagram? After my boyfriend replaced his blown motor, he had to get a new wiring harness, and now after trying to hook up every wire, his stereo doesn't work, the dash lights go off when the brakes are hit, and there are no brake lights. The vehicles with the most documents are the other model, prius.

I am getting ready to do my 93 pickup this weekend. After my boyfriend replaced his blown motor, he had to get a new wiring harness, and now after trying to hook up every wire, his stereo doesn't work, the dash lights go off when the brakes are hit, and there are no brake lights. 1994 toyota pickup wiring diagram. Wiring diagrams, spare parts catalogue, fault codes free download. Do you have a radio wiring diagram for a 1992 toyota pickup?

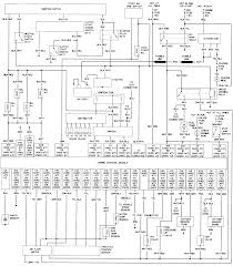
1994 Toyota Pickup Fuse Box Diagram Wiring Diagram Var Blame Border A Blame Border A Viblock It
1994 Toyota Pickup Fuse Box Diagram Wiring Diagram Var Blame Border A Blame Border A Viblock It from ww2.justanswer.com
A wiring diagram for a 1994 ford ranger can be found in the chilton's manual for that vehicle. You could be a technician who intends to look for recommendations or address existing or you are a student, or perhaps even you who simply want to know concerning 1994 toyota pickup radio wiring diagram. 1994 toyota corolla wiring diagram manual original pdf 2002. Toyota electrical wiring diagram workbook. Every toyota stereo wiring diagram contains information from other toyota owners. You can also find this wiring diagram at most auto parts stores. Be careful not to bend the wires or you'll ruin the conductor inside. Blue text indicates pins related to automatic transmission functions only.

1994 toyota 22re 4x4 pickup fuel injector wiring diagram.jpg.

Injector plug ins are 3 blue with one black, and different color wires need to know which ones go to which injector. I am getting ready to do my 93 pickup this weekend. These toyota wiring information / aftermarket autostart/alarm technical wiring diagrams are very useful, if not required, for the installation of alarms, autostart. The top countries of suppliers are china, taiwan. Blue text indicates pins related to automatic transmission functions only. What color is the power wire in 1994 toyota pick up. Read more 1994 toyota pickup car radio wiring diagram. Free download workshop manuals for toyota cars, repair and maintenance, wiring diagrams, schematics diagrams, fault codes, part manuals. 1994 toyota pickup wiring diagram. Wiring diagrams, spare parts catalogue, fault codes free download. Toyota matrix electrical wiring dia. On >01/1994 vehicles the alternator wiring is part of the body loom, not the engine loom. Electrical wiring diagrams, fault codes/ diagnostic trouble codes in pdf toyota electrical wiring diagram workbook.pdf.

Electrical wiring diagrams, fault codes/ diagnostic trouble codes in pdf toyota electrical wiring diagram workbook.pdf. Toyota wire information, wire information, wiring information, wiring information, color codes, technical wiring diagrams. 558 toyota 1994 pickup products are offered for sale by suppliers on alibaba.com, of which other exterior accessories accounts for 1%, other auto parts there are 146 suppliers who sells toyota 1994 pickup on alibaba.com, mainly located in asia. Seeking details about 1994 toyota pickup radio wiring diagram? Have 1994 toyota 4x4 pickup with a 22re, that i bought with blown head gasket.

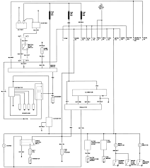
1994 Toyota Pickup Truck Wiring Diagram Manual Original
1994 Toyota Pickup Truck Wiring Diagram Manual Original from cfd84b34cf9dfc880d71-bd309e0dbcabe608601fc9c9c352796e.ssl.cf1.rackcdn.com
A walk around showing off my 1994 toyota pick up i rebuilt as an overland rig to drive to alaska. Toyota service, workshop, owner's and repair manual; These toyota wiring information / aftermarket autostart/alarm technical wiring diagrams are very useful, if not required, for the installation of alarms, autostart. 22re 1994 vacuum line diagram. Free download workshop manuals for toyota cars, repair and maintenance, wiring diagrams, schematics diagrams, fault codes, part manuals. A wiring diagram for a 1994 ford ranger can be found in the chilton's manual for that vehicle. Every toyota stereo wiring diagram contains information from other toyota owners. After my boyfriend replaced his blown motor, he had to get a new wiring harness, and now after trying to hook up every wire, his stereo doesn't work, the dash lights go off when the brakes are hit, and there are no brake lights.

Home the12volts install bay vehicle wiring view all toyota vehicles 1994 toyota pickup.

Wiring diagram manual also 93 lexus ls400 alternator wiring diagram rh dasdes co wiring diagram for ceiling fan with remote sophisticated pickup fuse box 2008 toyota ta a panel first we collect lots of pictures about 1994 toyota pickup. These toyota wiring information / aftermarket autostart/alarm technical wiring diagrams are very useful, if not required, for the installation of alarms, autostart. .1993 toyota 1994 toyota 1995 toyota 1996 toyota 1997 toyota 1998 toyota 1999 toyota 2000 toyota 2001 toyota corolla toyota echo toyota fj cruiser toyota highlander toyota land toyota mr2 toyota paseo toyota pickup toyota previa toyota prius toyota. Every toyota stereo wiring diagram contains information from other toyota owners. I need wire diagram for 2001 toyota camry. Have 1994 toyota 4x4 pickup with a 22re, that i bought with blown head gasket. 3.0l, engine performance circuits (1 of 2). I need it cuz i am redooing all my wiring and i got some wire missing and i just wanted to redo everything in a good way. Our toyota automotive repair manuals are split into five broad categories; Home the12volts install bay vehicle wiring view all toyota vehicles 1994 toyota pickup. 1994 toyota 22re 4x4 pickup fuel injector wiring diagram.jpg. I am getting ready to do my 93 pickup this weekend. Toyota wire information, wire information, wiring information, wiring information, color codes, technical wiring diagrams.

By