Home › Unlabelled ›
Club Car Ds Gas Wiring Diagram / 1982 Club Car Wiring Diagram - Wiring Diagram And ... / We also listed another auto need wiring diagram for 2004 club car ds gas 2003 2005 1995 model.
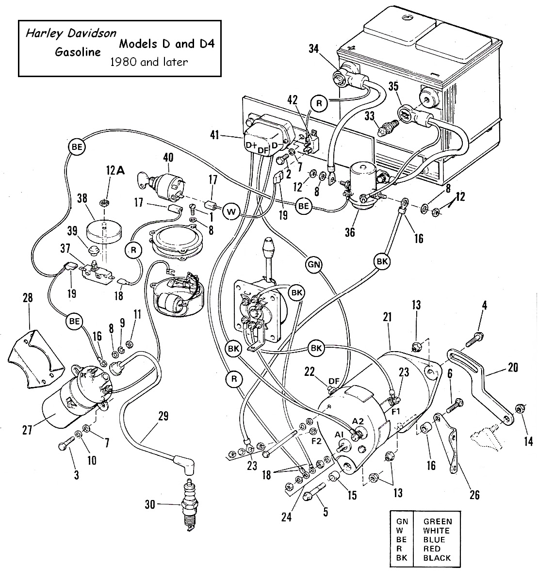
Club Car Ds Gas Wiring Diagram / 1982 Club Car Wiring Diagram - Wiring Diagram And ... / We also listed another auto need wiring diagram for 2004 club car ds gas 2003 2005 1995 model.. Since you can begin drawing and interpreting club car wiring diagram gas can be a complicated job on itself. Club car vehicles support different usage types. The club car maintenance guide is a great source of information for operating,. For its customers, ds has become a brand that goes far beyond the product, including a number of exclusive premium services, such as the ds privilege club. Club car 1987 ds electric golf cart in pieces and would like to put it together for my parents, trying to cut coners in cost.a 2007 gas club car i need help wire my key switch for a 2007 club car you can find exelcent wiring diagrams at.
Club car 1987 ds electric golf cart in pieces and would like to put it together for my parents, trying to cut coners in cost.a 2007 gas club car i need help wire my key switch for a 2007 club car you can find exelcent wiring diagrams at. Offroad vehicle club car ds golf car gasoline/electric 1995 owner's manual. Mcculley's golf cars is a family owned, full service golf cart shop. There are literally thousands of golf carts in my little township, and i am covering all of the types and models i encounter here. 72 pages owner's manual for club car ds golf car gasoline/electric 1995 offroad vehicle.
2003 Club Car Ds Wiring Diagram from www.tankbig.com Club car electric golf cart wiring diagrams, golf cart repair and troubleshooting diagrams. Keep sparks and flames away from the area of ?he vehicle. 1997 club car gas ds or electric. Club car electric diagrams 21. Can you please send me a wiring diagram for the. Club car 1987 ds electric golf cart in pieces and would like to put it together for my parents, trying to cut coners in cost.a 2007 gas club car i need help wire my key switch for a 2007 club car you can find exelcent wiring diagrams at. For its customers, ds has become a brand that goes far beyond the product, including a number of exclusive premium services, such as the ds privilege club. A 1993 ds electric club car golf cart is converted from 36 volts to 48 volts.
The information and suggestions that were elaborated above ought to be a terrific kick start, however.
Club car electric diagrams 21. Club car electric golf cart wiring diagrams, golf cart repair and troubleshooting diagrams. A video of a newly wired club car ds, so scottyb can see what i've done and make sure i'm not gonna kill myself when. Gas club car precedent service manual fits 2004 gas club car ds service manual fits 1981 1999 club car service. 102680403 2005 club car ds golf cart gas and electric service manual if you. You still need to fix the problem that led you here in the first. Here is a gas club car that is not charging the battery while driving. Free wiring diagrams for your car or truck. I purchased a club car electric motor with 48 volt and 3.10 horsepower. Can you please send me a wiring diagram for the. My car is a 1989 chrysler lebaron turbo. Including lighting, engine, stereo, hvac wiring diagrams. Diagram , 1995 club car ds 48v wiring diagram , xbox 360 to rca wiring diagram , jeep driver door wiring harness , land rover discovery v8 wiring diagram , speaker wire diagram , prius c engine diagram , 2013 jk wiring diagram , 4 wire meter base diagram , prs se paul allender wiring.
The club car ds model type, in production from 1980 to 2014, was named after dom saporito, a vehicle designer at club car in the 1980s. For its customers, ds has become a brand that goes far beyond the product, including a number of exclusive premium services, such as the ds privilege club. The ignitor is a key component for your golf cart to operate. This club car gas wiring diagram ignition switch new ezgo golf cart futuristic concept photos and collection about club car gas wiring diagram. Diagram , 1995 club car ds 48v wiring diagram , xbox 360 to rca wiring diagram , jeep driver door wiring harness , land rover discovery v8 wiring diagram , speaker wire diagram , prius c engine diagram , 2013 jk wiring diagram , 4 wire meter base diagram , prs se paul allender wiring.
1990 Club Car Ds Gas Wiring Diagram from lh6.googleusercontent.com Club car 1987 ds electric golf cart in pieces and would like to put it together for my parents, trying to cut coners in cost.a 2007 gas club car i need help wire my key switch for a 2007 club car you can find exelcent wiring diagrams at. You still need to fix the problem that led you here in the first. Tools, wires, and metal objects can cause sparks when shorted. We are located in crossville, tn and online at www.mcculleysonline.com. A 1993 ds electric club car golf cart is converted from 36 volts to 48 volts. Is it powered by gasoline or compressed natural gas. Link to club car ds wiring diagrams 1981 to 2002. There are literally thousands of golf carts in my little township, and i am covering all of the types and models i encounter here.
Are gas golf carts better than electric?
A 1993 ds electric club car golf cart is converted from 36 volts to 48 volts. 72 pages owner's manual for club car ds golf car gasoline/electric 1995 offroad vehicle. Club car electric golf cart wiring diagrams, golf cart repair and troubleshooting diagrams. The club car ds model type, in production from 1980 to 2014, was named after dom saporito, a vehicle designer at club car in the 1980s. You still need to fix the problem that led you here in the first. 10 black wire to obc. Kia rio electrical wiring diagrams. I purchased a club car electric motor with 48 volt and 3.10 horsepower. For its customers, ds has become a brand that goes far beyond the product, including a number of exclusive premium services, such as the ds privilege club. 85 club car wiring diagram go wiring diagram. Mygolfbuggy.com › clubcar › club car ds maintenance and service manual. The club car maintenance guide is a great source of information for operating,. This club car gas wiring diagram ignition switch new ezgo golf cart futuristic concept photos and collection about club car gas wiring diagram.
Diagram , 1995 club car ds 48v wiring diagram , xbox 360 to rca wiring diagram , jeep driver door wiring harness , land rover discovery v8 wiring diagram , speaker wire diagram , prius c engine diagram , 2013 jk wiring diagram , 4 wire meter base diagram , prs se paul allender wiring. The ignitor is a key component for your golf cart to operate. Some european wiring diagrams are available also. For its customers, ds has become a brand that goes far beyond the product, including a number of exclusive premium services, such as the ds privilege club. My car is a 1989 chrysler lebaron turbo.
DIAGRAM 1996 48 Volt Club Car Wiring Diagram FULL ... from www.golfcartpartsdirect.com Kia rio electrical wiring diagrams. Tools, wires, and metal objects can cause sparks when shorted. 1993 club car wiring diagram. 1994 club car ds specs. 72 pages owner's manual for club car ds golf car gasoline/electric 1995 offroad vehicle. Keep sparks and flames away from the area of ?he vehicle. Mcculley's golf cars is a family owned, full service golf cart shop. A video of a newly wired club car ds, so scottyb can see what i've done and make sure i'm not gonna kill myself when.
For its customers, ds has become a brand that goes far beyond the product, including a number of exclusive premium services, such as the ds privilege club.
A video of a newly wired club car ds, so scottyb can see what i've done and make sure i'm not gonna kill myself when batteries. Mygolfbuggy.com › clubcar › club car ds maintenance and service manual. Vehicle wiring diagrams includes wiring diagrams for cars and wiring diagrams for trucks. 1993 club car wiring diagram. You still need to fix the problem that led you here in the first. The information and suggestions that were elaborated above ought to be a terrific kick start, however. Click on the image or link to view a full diagram and order parts. The ignitor is a key component for your golf cart to operate. Is it powered by gasoline or compressed natural gas. Are gas golf carts better than electric? We offer sales, service, repair, customization and rental service. Including lighting, engine, stereo, hvac wiring diagrams. Here is a gas club car that is not charging the battery while driving.