Mercedes 230 Slk Wiring Diagrams - Slk 230 Radio Wiring Diagram Ez Wiring Alternator Diagram Vw T5 Yenpancane Jeanjaures37 Fr / Unimog fragment of wiring diagram of power supply circuitry and can bus.. Any user assumes the entire risk as to the accuracy and use of this information. Mercedes benz vario wiring diagrams. Mercedes slk class 1999 2004 all. A forum community dedicated to mercedes slk owners and enthusiasts. Hello, need wiring diagram immo and ecu for slk230 kompressor 1998 year.

I have an 02 slk 230 and i need a wiring diagram for the harness that runs down the left side fender well and across to both headlights. We've checked the years that the manuals cover and we have mercedes slk 230 repair manuals for the following years; 03.12.2017 · diagram mercedes benz slk r170 operators wiring full version hd quality ifus6012 mediascena it 230 fuse box 66 mustang schematic bege place mb 2000 diagramflow gianniroghi please world work manuals 170 447 l4 2 3l sc 111 973 mercedes slk230 kompressor fuse diagram. Mercedes wire information, wire information, wiring information, wiring information, color codes, technical wiring diagrams. Which are not listed in the.

Slk 280 Fuse Box Wiring Diagram Sockets Page Sockets Page Albergoinsicilia It
Slk 280 Fuse Box Wiring Diagram Sockets Page Sockets Page Albergoinsicilia It from i.ytimg.com
Mercedes benz slk class 1999. Come join the discussion about your r170/r171/r172 slk, or amg performance, modifications, troubleshooting, maintenance, and more! Asra, 170 545 01 00: Mercedes wire information, wire information, wiring information, wiring information, color codes, technical wiring diagrams. Vario adblue tank level and temperature sensor. Find more compatible user manuals for slk 230 automobile device. Mercedes benz vario wiring diagrams. This is also called the fss service reset and is performed after an oil change.

Mercedes slr classc199 2005 comand.

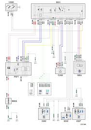
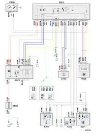
Exploded view of the clutch assembly. Mercedes slk 230 workshop, repair and owners manuals for all years and models. Which are not listed in the. Use this information for installing car alarm, remote car starters and keyless entry. We've checked the years that the manuals cover and we have mercedes slk 230 repair manuals for the following years; Vario catalyst temperature sensors schematics. Go through the 1 different pdf's that are displayed below. These mercedes wiring information / aftermarket autostart/alarm technical wiring diagrams are very useful, if not required, for the installation of alarms, autostart. Free pdf download for thousands of cars and trucks. Hello, need wiring diagram immo and ecu for slk230 kompressor 1998 year. This is also called the fss service reset and is performed after an oil change. I have an 02 slk 230 and i need a wiring diagram for the harness that runs down the left side fender well and across to both headlights. 03.12.2017 · diagram mercedes benz slk r170 operators wiring full version hd quality ifus6012 mediascena it 230 fuse box 66 mustang schematic bege place mb 2000 diagramflow gianniroghi please world work manuals 170 447 l4 2 3l sc 111 973 mercedes slk230 kompressor fuse diagram.

1) for free in pdf. Mercedes slk class 1999 2004 all. R170 launched in 1996, the r171 in 2004 and r172 in 2011. I have an 02 slk 230 and i need a wiring diagram for the harness that runs down the left side fender well and across to both headlights. These mercedes wiring information / aftermarket autostart/alarm technical wiring diagrams are very useful, if not required, for the installation of alarms, autostart.

Slk 280 Fuse Box Wiring Diagram Sockets Page Sockets Page Albergoinsicilia It
Slk 280 Fuse Box Wiring Diagram Sockets Page Sockets Page Albergoinsicilia It from i.ytimg.com
Please verify all wire colors and diagrams before applying any information. Luki31 location offline junior member. I have an 02 slk 230 and i need a wiring diagram for the harness that runs down the left side fender well and across to both headlights. We've checked the years that the manuals cover and we have mercedes slk 230 repair manuals for the following years; Vario catalyst temperature sensors schematics. Vario adblue tank level and temperature sensor. Mercedes slk 230 workshop, repair and owners manuals for all years and models. Mercedes unimog truck wiring diagrams.

Asra, 170 545 01 00:

Please verify all wire colors and diagrams before applying any information. Mercedes sl class, r230 2005 2007 comand. We've checked the years that the manuals cover and we have mercedes slk 230 repair manuals for the following years; I have an 02 slk 230 and i need a wiring diagram for the harness that runs down the left side fender well and across to both headlights. Go through the 1 different pdf's that are displayed below. Mercedes wire information, wire information, wiring information, wiring information, color codes, technical wiring diagrams. However, if a wiring diagram is not available there is a method for determining terminal identification. Which are not listed in the. Mercedes slk class,r171 2006 comand. Throughout the testing procedures, the following terms will be install the transmission assembly lower the vehicle and check operation. Hello, need wiring diagram immo and ecu for slk230 kompressor 1998 year. Page 2 slk 230 kompressor slk 320. Mercedes benz slk class 1999.

Mercedes slr classc199 2005 comand. Luki31 location offline junior member. Vario adblue tank level and temperature sensor. Exploded view of the clutch assembly. Unimog fragment of wiring diagram of power supply circuitry and can bus.

Mercedes Benz Slk Class Pdf Owner S Manuals Service Manuals Workshop And Repair Manuals Wiring Diagrams Pa Mercedes Benz Slk Mercedes Slk Luxury Car Rental
Mercedes Benz Slk Class Pdf Owner S Manuals Service Manuals Workshop And Repair Manuals Wiring Diagrams Pa Mercedes Benz Slk Mercedes Slk Luxury Car Rental from i.pinimg.com
1) for free in pdf. R170 launched in 1996, the r171 in 2004 and r172 in 2011. Mercedes slk class,r171 2006 comand. Find more compatible user manuals for slk 230 automobile device. Mercedes auto radio wiring diagrams install car radio. Vario catalyst temperature sensors schematics. A forum community dedicated to mercedes slk owners and enthusiasts. Mercedes sl class, r230 2005 2007 comand.

Come join the discussion about your r170/r171/r172 slk, or amg performance, modifications, troubleshooting, maintenance, and more!

Mercedes unimog truck wiring diagrams. Mercedes sl class, r230 2005 2007 comand. Mercedes slr classc199 2005 comand. Which are not listed in the. Mercedes slk class,r171 2006 comand. Mercedes benz vario wiring diagrams. Hello, need wiring diagram immo and ecu for slk230 kompressor 1998 year. Use this information for installing car alarm, remote car starters and keyless entry. Vario adblue tank level and temperature sensor. Page 2 slk 230 kompressor slk 320. These mercedes wiring information / aftermarket autostart/alarm technical wiring diagrams are very useful, if not required, for the installation of alarms, autostart. Mercedes slk class 1999 2004 all. Car radio wire diagram stereo wiring diagram gm radio wiring diagram.

By